Referenzen
Auf unseren Handschlag
können Sie bauen –
wie unsere Kunden und Partner.
VertrauenProfessionalitätZuverlässigkeitNachhaltigMiteinanderKundenservice
Unsere Referenzen
Mit unseren Kunden die Zukunft gestalten
Mit großer Leidenschaft, höchster Motivation und bestausgebildetem Personal gestalten wir mit unseren Kunden die Zukunft. Die von uns mit der Zusammenarbeit unserer langjährigen Kunden realisierten Projekte können Sie in unseren Referenzen erfassen und sich selbst überzeugen, welche Qualität Sie erwartet. Wir würden uns freuen, wenn Sie der nächste zufriedengestellte Kunde sind, mit dem wir die Zukunft gestalten.
Referenzen
Wir sind stolz, weil Sie zufrieden sind.
Seit 1995 ist das Team von pHIAG als Anlagenbauer, Chemikanten, Monteure und Problemlöser aus dem Herzen des Ruhrgebiets national und international für die Industrie unterwegs. Wir nutzen stets unsere langjährige Projekterfahrung, um modernste Technik und fundiertes Know-how effizient für den Erfolg unserer Kunden einzusetzen.
OFS GmbH
Engineering aus Gladbeck in Spanien
Für die OFS GmbH realisierte pHIAG 2024/2025 eine Dampf- und Vakuum-Einheit für eine „heiße“ Filterpresse mit einer Kapazität von 2000 m³/h. Von der Planung im Revier bis zur Montage vor Ort liefern wir Präzision für thermische Prozesse. Das Projekt beweist: Unsere Kompetenz ist weltweit gefragt. Wir sorgen für Lösungen, die laufen – absolut zuverlässig. Ein Handschlag, der auch international zählt.
Thyssenkrupp
Projekt-Highlight bei ThyssenKrupp in Duisburg
2024/2025 lieferte pHIAG das volle Paket für eine neue VE-Wasser-Station mit einer Leistung von 40 m³/h. Vom Engineering und der Fertigung über die Lieferung bis zur Montage inklusive 100 m³ Tank – wir sichern die Wasserversorgung für die Stahlproduktion. Echte Ingenieurskunst und Montagepower aus dem Revier. Ein Projekt, auf das man bauen kann – ehrlich, direkt und absolut verlässlich.
Thyssenkrupp
Großprojekt direkt in Duisburg
Für die Erweiterung der Deponie Wehofen (3. BA) bei ThyssenKrupp war pHIAG 2022/2023 im Einsatz. Wir lieferten und montierten die Sickerwasserbehandlungsanlage (20–50 m³/h) inklusive aller Nebenaggregate. In der Deponietechnik zählt absolute Sicherheit für die Umwelt. Unsere Erfahrung im Anlagenbau sorgt dafür, dass die Technik im Revier zuverlässig läuft. Ein Projekt, auf das man bauen kann – von Fachleuten für die Region.
Vestolit GmbH
Präzision im Chemiepark Marl
Für die Vestolit GmbH hat pHIAG 2022 eine Dosieranlage zur Abwasserneutralisation (80 m³/h) geliefert, montiert und in Betrieb genommen. In der Chemieproduktion zählen Verlässlichkeit und tiefes Fachwissen. Wir sorgen dafür, dass die Anlage sicher läuft und alle Grenzwerte exakt einhält. Echte Ingenieurskunst und Montagepower aus dem Ruhrgebiet für saubere Prozesse – auf unseren Handschlag können Sie bauen.
Drahtwerke Lüling
Einsatz in Iserlohn
Für die Drahtwerke Lüling realisierte pHIAG 2022/2023 die Lieferung, Montage und Inbetriebnahme einer Abwasserbehandlung (6 m³/h) inklusive Kalksilo. Bei industriellen Abwässern zählt verlässliche Technik ohne Wenn und Aber. Von der Anlieferung bis zum ersten Knopfdruck – wir sorgen dafür, dass die Anlage läuft. Ehrlich, direkt und mit dem Fachverstand aus dem Revier. Ein Ergebnis, auf das man bauen kann – handfest und präzise.
ThyssenKrupp Electrical Steel
Montage in Beeckerwerth
Für ThyssenKrupp realisierte pHIAG 2022 im Werk Beeckerwerth die Montage und Inbetriebnahme eines Frischsäurebehälters der Firma Josef Jasper Behälterbau. Bei aggressiven Medien zählen höchste Sicherheit und Präzision. Wir haben für einen reibungslosen Ablauf vom ersten Tag an gesorgt.
ThyssenKrupp
Einsatz für ThyssenKrupp an der EBA3
pHIAG realisierte 2022 den Neubau und die Einbindung von Behältern für Alt-Beize mit einem Volumen von 2 x 22 m³. Bei aggressiven Medien wie Beize sind Sicherheit und Materialexpertise das A und O. Wir haben für eine reibungslose Einbindung in den laufenden Prozess gesorgt. Handfeste Montagepower aus dem Revier für die Stahlindustrie – wir bauen Lösungen, die halten. Ehrlich, direkt und absolut verlässlich.
ThyssenKrupp Electrical Steel
Qualität für ThyssenKrupp Electrical Steel
pHIAG hat 2021 die Lieferung, Montage und Inbetriebnahme der Anlagentechnik für Isolationsflüssigkeit (5 m³/h) realisiert. Bei der Produktion von hochwertigem Elektrostahl kommt es auf höchste Verlässlichkeit der Medien an. Wir haben dafür gesorgt, dass die Prozesse vom ersten Tag an sicher laufen. Handfeste Ingenieurskunst und Montagepower aus dem Revier – wir liefern Lösungen, auf die man im Pott bauen kann. Ehrlich, direkt und absolut verlässlich.
ThyssenKrupp
Kühlwasser-Power an der FBA 3
pHIAG hat 2021 die Lieferung, Montage und Inbetriebnahme der Kühlturmanlage für die Ofenrollen (100 m³/h) gestemmt. In der Stahlproduktion ist verlässliche Kühlung das A und O für den reibungslosen Prozess. Wir haben dafür gesorgt, dass die Technik von Anfang an sicher läuft. Handfeste Ingenieurskunst und Montagepower aus dem Revier – wir liefern Lösungen, auf die man im Pott bauen kann. Ehrlich, direkt und absolut verlässlich.
ThyssenKrupp
VE-Wasser-Erweiterung in Dortmund:
Für ThyssenKrupp realisierte pHIAG 2020/2021 die Erweiterung der VE-Anlage FBA8/FBA 10 am Standort Dortmund. Mit einer Kapazität von 50 m³/h sichert die Anlage die Versorgung für anspruchsvolle Prozesse in der Oberflächenveredelung. Wir haben die Technik präzise integriert, damit die Produktion ohne Unterbrechung läuft. Echte Ingenieurskunst und Montagepower aus dem Revier – wir liefern Lösungen, auf die man im Pott bauen kann. Ehrlich, direkt und absolut verlässlich.
STEAG
Mitten im Revier bei der STEAG in Herne
pHIAG lieferte und montierte 2020/2021 die Wärmetauscher für die Kühlturmzusatzwasseraufbereitungsanlage (750 m³/h) im Zuge der großen GuD-Erweiterung. Kraftwerkstechnik verlangt höchste Zuverlässigkeit und Präzision – genau unser Ding. Wir haben dafür gesorgt, dass die thermischen Prozesse stabil laufen. Echte Ingenieurskunst aus dem Pott für die Energie von morgen. Ein Wort, ein Handschlag, eine Anlage, die funktioniert.
Küttner
Einsatz über die Grenze
In Delfzijl (NL) realisierte pHIAG 2019/2020 für die Küttner GmbH eine spezialisierte Abwasseraufbereitungsanlage (20 m³/h). Die Herausforderung: Ein Stahlwerk zur Aufarbeitung asbesthaltiger Stähle. Hier sind höchste Sicherheitsstandards und absolute Präzision gefragt. Wir haben bewiesen, dass unsere Expertise im Umgang mit sensiblen Prozessen auch international Maßstäbe setzt. Echte Facharbeit für ein anspruchsvolles Projekt – sicher, sauber und verlässlich.
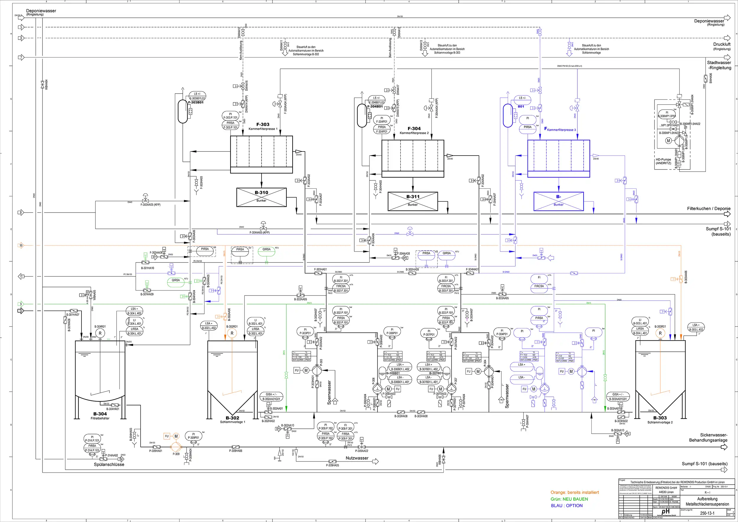
Remondis
Basic Engineering
Im Jahr 2021 realisierte pHIAG das Basic Engineering zur Optimierung der technischen Entwässerung von Metallschlacke. Wir definierten die verfahrenstechnischen Parameter für eine effiziente Fest-Flüssig-Trennung und optimierten die Stoffstrombilanzen. Hochwertige Engineering-Leistung für stabile Prozesse – sicher, direkt und verlässlich.

Cenpower
Service und Optimierung in Ghana:
Für Cenpower realisierte pHIAG 2019 am Standort KPONE die Lieferung von Ersatzteilen sowie den Umbau der Schwefelsäure-Dosierung. Neben der technischen Optimierung der Dosieranlage lieferten wir weitere Schlüsselkomponenten für den stabilen Kraftwerksbetrieb. Dieses Projekt zeigt: Unser Know-how im Anlagenbau ist auch international für höchste Zuverlässigkeit gefragt. Echte Facharbeit für anspruchsvolle Aufgaben – weltweit sicher, direkt und absolut verlässlich.
STEAG
Weltweite Expertise für STEAG in Ghana
pHIAG optimierte am Standort KPONE die VE-Wasser-Erzeugung aus Meerwasser. Als Basis für das Kesselspeisewasser des GuD-Kraftwerks in Accra war höchste technische Präzision gefragt. Das Projekt zeigt: Unser Know-how im Anlagenbau kennt keine Grenzen. Von der Meerwasseraufbereitung bis zur Prozessoptimierung – wir liefern solide Lösungen, die global funktionieren. Ein Handschlag, der auch in Afrika zählt.
Referenzen kompakt zum Download
Hier können Sie sich unsere aktuelle Referenzliste ganz einfach als PDF herunterladen. Von unseren neuesten Highlights aus 2025 bis zurück zu Projekten aus den 2000er Jahren – pHIAG bietet Ihnen volle Transparenz über unsere langjährige Expertise im Anlagenbau. Laden Sie sich die Übersicht herunter und sehen Sie selbst, wo wir in ganz Deutschland und weltweit für Bewegung sorgen.
















































































